減速機技術參數請咨詢江蘇泰工減速機有限公司,【緊急發貨請聯系客服,15052132938(同微信),13861467735(同微信)400-710-9918】泰工減速電機具有效率及可靠性高,工作壽命長,維護簡便等諸多優點。泰工減速機專業生產減速電機,擺線針輪減速機,行星減速機,電動滾筒,齒輪減速機,硬齒面減速機,擺線減速機,蝸輪減速機,伺服減速機等。

作用:
行業范圍:簡化設計、節省空間,廣泛應用于冶金、礦山、起重、運輸、水泥、建筑、化工、紡織、印染、制藥、醫療、美容、保健按摩、辦公用品等各種通用機械設備的減速傳動機構。
使用要求:
1、兩級圓柱減速電機展開式安裝中,齒輪相對于支承位置不對稱,當軸產生彎扭變形時,載荷在齒寬分布不均勻,因此軸應設計的具有較大剛度,并使得齒輪遠離輸入端或輸出端。
2、分流式減速電機的外伸軸位置可由任意一邊伸出,便于進行機器的總體配置,分流級的齒輪均加工成斜齒,一邊右旋,一邊左旋,以抵消軸向力。應使其中的一根軸能做稍許軸向游動,以免卡死齒輪。
3、 同軸式減速電機,徑向尺寸緊湊,但軸向尺寸較大,同時由于兩級齒輪的中心必須一致,所以高速級齒輪的承載能力難以充分利用,而且位于減速電機中間部分的軸承潤滑也比較困難。減速電機的輸入端和輸出端位于同一軸線的兩端,給傳動裝置的總體配置帶來限制。
產品概述:
1、R斜齒輪硬齒面減速機節省空間,可靠耐用,承受過載能力高,功率可達132KW;
2、齒輪減速機結合******技術要求制造,具有很高的科技含量;
3、R斜齒輪硬齒面減速機選用優質鍛鋼材料,鋼性鑄鐵箱體,齒輪表面經過高頻熱處理;
4、能耗低,性能優越,減速機效率高達95%以上;振動小,噪音低,節能高;
5、經過精密加工,確保軸平行度和定位軸承要求,形成斜齒輪傳動總成的減速機配置了各種類電機,組合成機電一體化,完全保證了減速電機產品使用質量特性。
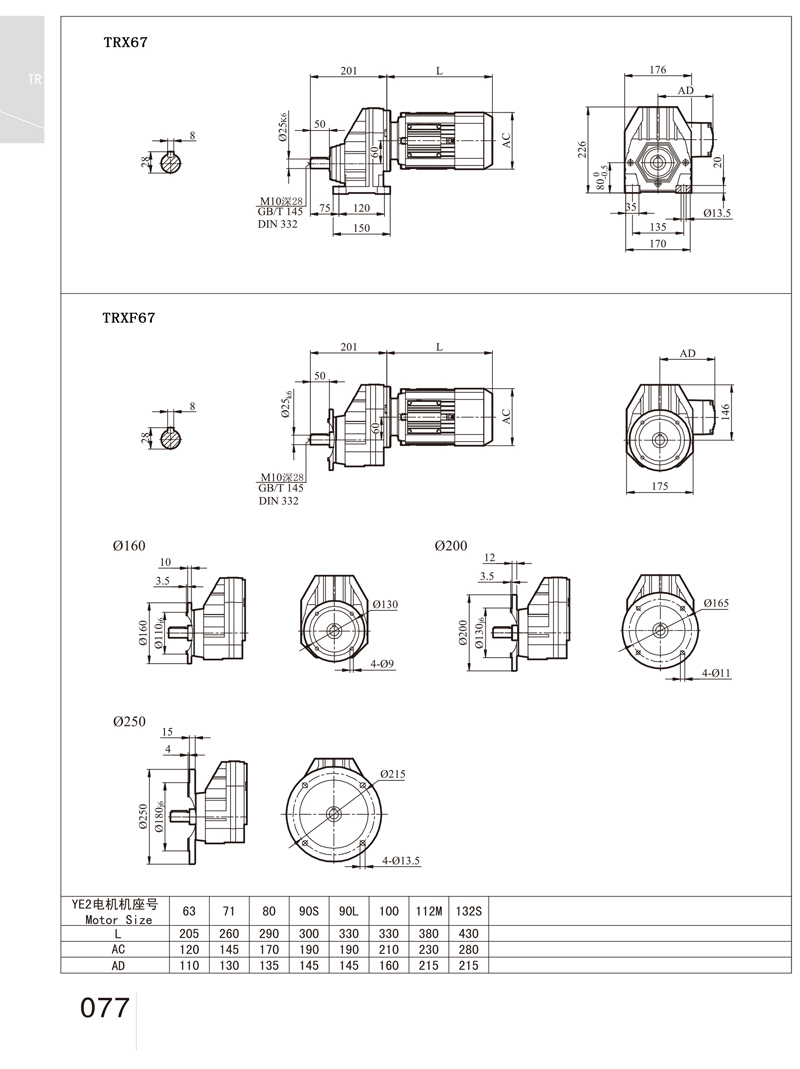
技術參數:
速比范圍:R基本型3.33~289.74,RX型1.3~8.65,R/R組合型可達到27001
扭矩范圍:R基本型85~18000 Nm,RX型20~1680 Nm
功率范圍:R基本型0.18~160 kW,RX型0.18~132 kW
性能特點:
1、小偏置輸出,結構緊湊,***大限度利用箱體空間,二級、三級在同一箱體內。
2、采用整體式鑄造箱體,箱體結構剛度好,易于提高軸的強度和軸承壽命。
3、安裝方式:底腳安裝、法蘭安裝有大小法蘭,易于選擇。
4、實心軸輸出,平均效率是二級96%、三級94%、R/R 組合平均效率85%。
5、專為攪拌設計的RM系列能承載較大的軸向力、徑向力。
結構形式:
R:軸伸式底腳安裝 RF:法蘭安裝
R…F:底腳法蘭安裝 RM: 法蘭安裝帶加長軸承箱
RX:單級底腳安裝 RXF:單級法蘭安裝
泰工減速電機優點:
1.高標準,高科技:減速電機結合******技術要求制造,具有很高的科技含量。
2.性能優越:能耗低,性能優越,減速機效率高達95%以上,節省空間,可靠耐用,承受過載能力高,功率可達95KW以上;振動小,噪音低,節能高,選用優質鍛鋼材料,鋼性鑄鐵箱體,齒輪表面經過高頻熱處理。
3.適應性強:產品采用模塊化、系列化設計,有極其多的電機組合、安裝位置和結構方案,可按實際需要選擇任意轉速和各種結構形式
不同類型減速電機特點:
1) 齒輪減速電機一般是通過把電動機、內燃機或其他高速運轉的動力通過齒輪減速電機的輸入軸上的齒數少的齒輪嚙合輸出軸上的大齒輪來達到減速的目的,節省空間,可靠耐用,承受過載能力高,功率大,能耗低,性能優越,減速機效率高達95%以上。
2)
行星減速電機其優點是結構比較緊湊,回程間隙小、精度較高,使用壽命很長,額定輸出扭矩可以做的很大。
產品規格:















配置,其他費用,物流運輸,售后問題,其他問題請咨詢【咨詢熱線400-710-9918】






















